创新之道,唯在得人。基础研究是整个科学体系的源头,是所有技术问题的“总机关”。实现高水平科技自立自强,改变关键核心技术受制于人的局面,必须从基础研究做起,突出原始创新,强化协同创新。最终标目是实现科研工作者的智力转化为生产力,解决制约发展的“卡脖子”问题。
suncitygroup太阳集团试验系统(天津)有限公司(以下简称“suncitygroup太阳集团”)是一家专业从事开发、生产、销售各类力学试验系统的国家高新技术企业,自2008年成立以来一直致力于发展新的测试方法。公司拥有各类力学性能试验机四个系列四十余个品种,主导产品电磁式疲劳试验系统、原位力学试验系统、原位双轴力学试验系统、拉扭多轴疲劳试验机等测试系统打破国外设备的垄断。先后与清华大学、北京大学、中科院金属所、中国工程物理研究院等国内知名高校、科研院所建立密切合作,持续在航空、航天、核电等关键领域进行技术研发与投入。适用场景包括不限于:金属材料、高分子材料、水凝胶材料、生物材料、柔性电子材料等。
南京理工大学机电工程学院研究团队使用suncitygroup太阳集团的IPBF-5000设备研究了不同双轴载荷比(λ = 0、0、0.1、0.1、1)和不同应力比(β=90◦、60◦、45◦)的商用纯钛TA2的双轴疲劳裂纹扩展行为。试验结果表明,最大切向应力准则适用于预测单轴和双轴混合模I-II疲劳裂纹的起始角。I型和I-II型混合型的十字形试样的疲劳裂纹扩展率随双轴载荷比的增大而降低,随应力比的增大而增大。这篇文章以《Investigation of Fatigue Crack Growth in TA2 Cruciform Specimen with an Inclined Crack, Considering Stress Ratio and Biaxial Load Ratio》为题发布在crystals上。
不同裂痕倾角的裂纹扩展路径
suncitygroup太阳集团IPBF-5000设备照片及试样图例
全文链接
https://doi.org/10.3390/cryst12111530
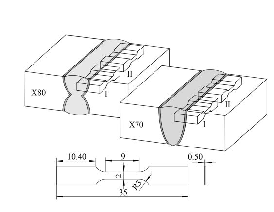
天津大学团队对《单轴循环载荷作用下焊缝的棘轮行为》进行了研究,该项研究目的在于提升石油和天然气的运输管道的强度,以适应地质和地理条件的复杂性,以及高内压和大直径管道。使用suncitygroup太阳集团的IBTC-5000设备进行试验选段, 该类测试样本是在API X80和X70管道钢上进行的,这两种钢都是沿着焊缝的长度从管道上切割出来的。其中采用WEDM法从焊缝中提取试样。沿焊缝端到端切割两部分。第一部分进行单轴拉伸试验,第二部分进行单轴棘轮试验。由于焊缝中不同位置的强度往往不同,该提取方法可以保证为单轴拉伸试验和单轴棘轮试验制备的试样来自相同的位置,具有相同的性能。这篇文章以《Ratcheting Behavior of Weld Joints Under Uniaxial Cyclic Loading Using Miniature Specimen》为题发表在Springer-Verlag上。
微型试样提取方法及位置及试样几何尺寸
X80与 X70管道应力-应变图
试验中所用到suncitygroup太阳集团IBTC-5000设备
全文链接
https://doi.org/10.1007/s12209-018-0160-8
湘潭大学研究团队开发了一种关于填充橡胶试样疲劳-失效试验的新试验方法,该方法可以更快捷的研究橡胶等粘弹性材料在循环载荷下的疲劳寿命。避免为了绘制S-N曲线在试验中投入的大量时间。该研究使用suncitygroup太阳集团的M-3000设备进行疲劳失效实验。具体试验方案是以5Hz的频率应力比为0的条件下施加正弦变化载荷,即在四次独立的疲劳试验中,最小载荷固定为0N,最大载荷在250N到400N之间变化。记录了每个试样的失效周期。该文章以《Fatigue Life Assessment of Filled Rubber by Hysteresis Induced Self-Heating Temperature》为题发布在polymers上。
橡胶的复合张力ST,平面张力PT,等
双轴张力ET的应力-应变曲线
试验中所用到suncitygroup太阳集团M-3000设备
全文链接
https://doi.org/10.3390/polym12040846
深圳大学药学院研究团队开发了一种具有Janus形态的海藻酸盐基复合纤维水凝胶,采用羧甲基纤维素钠作为每个纤维隔室性能的聚合物调节剂。通过使用孔雀石绿和盐酸米诺环素作为模型药物,所生成的纤维证明了能够精确控制每种共释药物的释放谱。使用suncitygroup太阳集团的IBTC-300SL设备测量了纤维的拉伸应力-应变曲线。结果表明该水凝胶有很高的延伸率。且延伸率随着CMC-Na加入量的增加而减小,C-AlC0纤维的延伸率最大。该文章以《Alginate-based complex fibers with the Janus morphology for controlled release of co-delivered drugs》为题发布在Asian Journal of Pharmaceutical Sciences。
Janus形态水凝胶生产流程
试验中所用到suncitygroup太阳集团IBTC-300SL设备
全文链接
https://doi.org/10.1016/j.ajps.2020.05.003
以上科研成果的背后都有太阳集团的技术支持,但太阳集团设备在科研领域的应用远不止于此!已助力用户发表 SCI论文百余篇!
(左右滑动查看更多论文)
下面带大家一起来了解太阳集团产品



































服务热线:022-87081028